articol recuperat si postat pe arduinotehniq.com in 01.2016

Semafor pentru concurs


Pornind de la o solicitare de pe http://forum.poweraudio.ro si tinand cont de ce prezentasem la http://www.niqro.3x.ro/4017/4017.htm am dezvoltat o schema de semafor cu indicatie a timpului ramas pana la START...


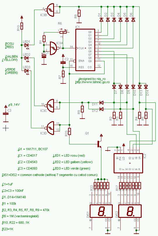
Dupa cum se observa "inima" acestui montaj este numaratorul Johnson decadic cu 10 iesiri decodificate (4017); prin intermedioul unor porti SAU (simulate de diode) comandam LED-urile (semaforul) si afisajul (dupa cum se observa cu mici artificii).
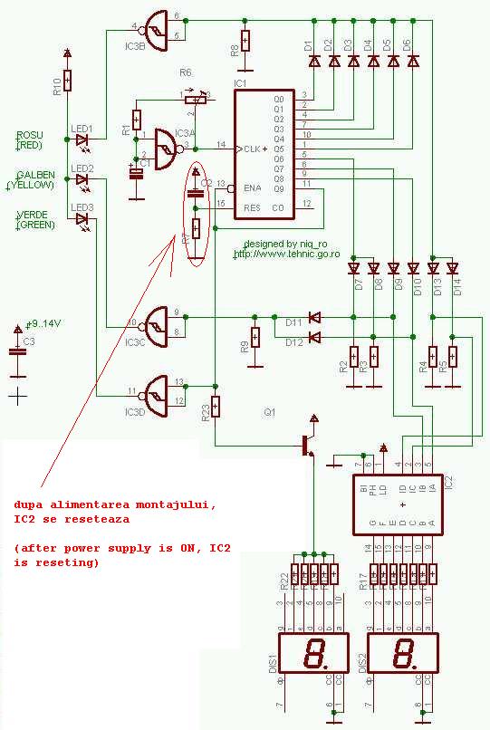
Alimentand montajului se va reseta numaratorul 4017 (pentru a evita "pornirea" cu alta stare decat Q0=1) ... circuitul va fi: dioda D1 - inversorul (realizat cu puntea SI-NU) - LED1 (cel rosu) - rezistenta plus


PS: Dupa cum se observa semaforul are cate un LED pentru fiecare culoare, iar afisarea este pe afisaje miniatura... dar se poate dezvolta pentru afisare vizibila de la distanta (prin comanda LED-urilor respective cu tranzistoare).

Pentru a putea dezvolta si modifica usor schema, voi face schemele pe blocuri, primul prezentat este cel cara face toata treaba:

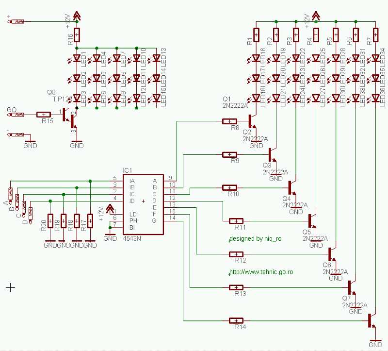
Semaforul cu cele 3 culori, va avea cate 9 LED-uri pentru fiecare culoare (bineinteles numarul poate fi marit la 16 de exemplu, redimensionand rezistentele de limitare):

Afisarea timpului ramas si a plecarii (GO) se poate astfel:


Intoarcere la pagina principala