articol recuperat si postat pe arduinotehniq.com in 01.2016

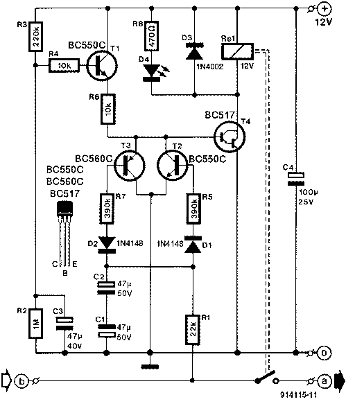
Protectie la tensiune continua a boxelor


   NOTA: Schema mi-a fost trimisa spre publicare de Claudio Baranga, precizandu-mi ca este o schema simpla de care a fost foarte multumit.

  


  

   Caudio mentioneaza ca:

   Protectia are 2 roluri: intarzie cuplarea boxelor la etajul final in momentul pornirii statiei prin reteaua R2,R3,C3 si protejeaza difuzoarele de eventuala componenta continua in cazul defectarii finalului.

   Eu am construit 2 prot. pt. fiecare canal in parte dar se mai poate monta inca o rezistenta de R1-22K pt.celalalt canal. Avantajul a 2 protectii construite este ca in cazul defectarii unui canal se poate functiona cu celalalt canal"


Intoarcere la pagina principala