articol recuperat si postat pe arduinotehniq.com in 01.2016


* initiere articol in 10.2008, Craiova
* material actualizat in 02.08.2009

Protectie pompa la lipsa apei la sorb
(partea intai)

   In ultima perioada, nivelul panzei freatice a scazut foarte mult, asa ca apar probleme la cei care au fantani si folosesc o pompa clasica (Kama) pentru aducerea la suprafata a apei, pentru uz caznic sau udarea gradinilor. Problema consta in ramanerea pompei fara apa (adica sorbul iese din apa), ceea ce impune reamorsarea pompei, prin introducerea de apa pe furtunul de refulare, agitarea pompei pentru eliminarea aerului din circuit, etc.

   Pentru eliminarea acetei situatii, m-am gandit la mai multe variante, iar cea mai simpla consta in utilizarea unui senzor de umiditate/apa care sa intrerupa alimentarea pompei, care in cazul meu este conectata la retea printr-un contactor AC3 (despre el gasiti ceva informatii in articolul Comanda pornit/oprit a consumatorilor casnici) . Este suficienta doar intreruperea pentru scurt timp a ciurcuitului, deoarece contactorul decupleaza si se rearmeaza manual...

   Pentru inceput am testat o schema simpla, cu un tranzistor si un releu, care la introducerea senzorului, care este un cablu de alimentare (ideea am preluat-o de la "colegii" indieni de la http://www.electronicsforu.com/ ), alimenteaza bobina releului, iar la ramanea in afara apei il lasa nealimentat...




   - cazul cand "senzorul" este in apa:

   - cazul cand "senzorul" nu este in apa:

   Un cablaj, respectiv montaj poate arata asa:

   Deoarece perioada in care sorbul nu este in apa este mai scurt decat atunci cand este in apa, am completat schema cu un inversor...


   Un cablaj, respectiv montaj poate arata asa:


   Am cumparat un transformator 220/2x12V (200mA), niste diode 1N4001, condensatoare de 0,1uF, un LM7812 si 2 mufe, iar de la niste prieteni am luat o sursa de calculator defecta, pentru carcasa, mufe, fire, condensatori, etc...


   Partea de alimentare are schema urmatoare:


   Teste...


   Dupa cateva ore de munca, in care am scos piesele din carcasa sursei, am inlocuit mufa care era pentru monitor cu una identica cu cea de alimentare, am realizat partea de alimentare:


  Dupa 3 zile de test in vasul de apa al catelului, apoi cu ajutorul colegilor de servici, acum dispozitivul este asa:



   A trecut anu' si, acum in iunie 2009, am montat protectia la pompa, deoarece timpul de functionare a scayut dramatic fata de anu' trecut:



   Cu ocazia experimentelor, am facut si un filmulet.

...doar ca a doua zi, dupa ce l-am tot chinuit, nu a mai decuplat pompa, ramanand fara apa si trebuind amorsata, cauza fiind defectarea releului, care avea contacte pentru tensiune redusa si nu pentru 220...250V, o scapare a mea la cumpararea pieselor si la montaj...



   Tot cu ocazia experimentelor, am contatat ca uneori comanda de actionare a releului nu este ferma, existand o zona de tranzitie (cuplare-decuplare rapida), asa ca am hotarant sa montez un trigger Schmitt in tehnologie CMOS, respectiv un CD4093, care contine 4 porti SI-NU cu intrare trigger Schmitt.
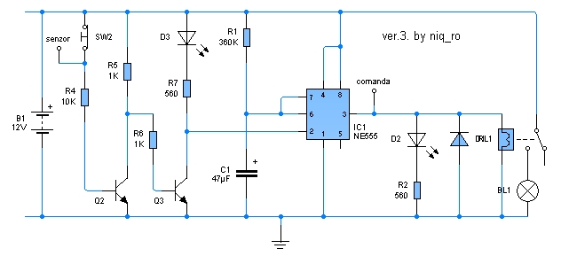
   Ulterior, m-am gandit sa realizez, un monostabil, tot cu portile lui CD4093, dar am renuntat in favoarea "batranului" 555.
   Schema a devenit:


   Dupa cum se observa, am intercalat monostabilul cu NE555 intre releu si al doilea tranzistor, care acum are doar rol de inversor.
   Montajul, este completarea celui anterior, aparand si un releu "corespunzator", un OMRON G2R-1, ale carui contacte suporta 250V~ si 10A, iar rezistenta bobinei este de 272 ohmi.


   La teste, am conectat aparatul de masura ca miliampermetru si am citit o valoare de 1,11mA curentul de baza al primului tranzistor (simulare caz cand senzorii sunt in apa). Cazurile sunt:
- senzor in apa, LED verde aprins (indica functionarea), LED albastru stins (senzor in apa) si LED alb stins (releu neatras)
- senzorul iese din apa, LED verde aprins (indica functionarea), LED albastru aprins (senzor afara din apa) si LED alb aprins (releu atras)
- senzorul revine din apa, LED verde aprins (indica functionarea), LED albastru stins (senzor in apa) si LED alb aprins (releu atras - temporizat)




   Cu ocazia experimentelorla versiunea 3, am facut si 2 filmulete:
- primul filmulet.


- al doilea filmulet.


   Deoarece impulsul de intrare poate fi foarte lung, timpul de iesire "ramane mascat" in cel de intrare (asta in teorie), doar ca dupa revenirea la situatia normala, am costatat (foarte rar, bineinteles) ramanerea cuplata a releului si dupa trecerea timpului, asa ca am modificat un pic schema, prin intercalarea unui grup de derivare RC (R5-C2), care elimina cazul impulsului de durata mare la intrarea in 555.


   Am mai facut un filmulet cu ocazia experimentelor la versiunea 3m (adica versiunea 3 modificata):


   In timpul testelor am constatat ca senzorul, care consta in 2 fire litate, nu mai are un "electrod", celalalt era incarcat, iar in apa erau sedimente albastre (un oxid de cupru). Si-a "facut de cap" fenomenul de electroliza, desi curentul care trece prin electrozi este de cca. 1mA.
   Mi-am adus aminte de o schema din cartea "Electronica distractiva... la domiciliu, cu 33 scheme electronice", aparuta in '74 dupa ce am urmarit o discutie de pe Forumul electronistilor, unde user-ul em2006 (care are site-ul em practical electronics) a recomandat utilizarea curentului alternativ:


Electronica
 distractiva... la domiciliu
Electronica
 distractiva... la domiciliu


   Schema mea va deveni:


   Am depistat pe net o solutie ingenioasa, la REEF WORKSHOP - DIY Pages: Float Switch #1, unde gasim pe langa explicatii si un filmulet:


   Ulterior, m-am gandit sa rezolv si partea de comanda, renunand la vechiul AC3 de la pompa:


   Am reluat experimentul cu varianta 3mod, folosin drept electrozi 2 cabluri de cupru plin, pentru a reverifica cat de rapid e procesul de electroliza si, dupa 14 ore, acesta este vizibil:


   Folosind aceiasi electrozi, am verificat modul de conductie al curentului alternativ in apa potabila:


   Apoi utilizarea curentului alternativ in apa si apoi redresarea si filtrarea lui cu un mic consumator (o rezistenta de 4k7), constatand ca aceasta este mult redusa (aproape la jumatate), fiind mai buna in apa curata fata de cea cu oxizi de cupru:


   Am continuat cu experimentul, cu electrozii strabaturi de curent alternativ prin apa, schema devenind cea din varianta 4, dar LED-ul albastru care indica electrozi afara din apa se parinde, monostabilul nu reactioneaza:

..asa ca am renuntat la circuitul de derivare si anume la C2 (strapandu-l), obtinand ceea ce doream, dupa cum se vede in filmulete:
- primul filmulet:


- al doilea filmulet:


   Dupa cca. 18 ore de trecere a curentului alternativ prin electrozi, am constatat oxidarea electrozilor, dar apa este curata, momentan montajul functioneaza corespunzator


   O solutie pentru evitarea oxidarii ar fi utilizarea unor electrozi de inox, dar momentan continui experimentarea cu electrozii de cupru cositoriti...

   Dupa cca. 20 ore de trecere a curentului alternativ prin electrozii cositoriti, am constatat o usoara oxidare a acestora, mult redusa fata de cazul anterior:


   Dupa 10 zile de teste, electrozii arata la fel, montajul functioneaza impecabil...
   Am facut rost de un plutitor cu contact cu bila de la o pompa din comert, dar dimensiunile sunt cam mari pentru ce imi trebuie mie...apoi am facut rost cu ajutorul unui coleg de servici de "contact cu mercur" de la Conex Electronic din Bucuresti, la pretul de 5,1RON/bucata.. doar ca e contact cu..bila, in miniatura.


   M-am apucat sa adaptez contactul minitura pentru a sta in apa, prin folosirea unui recipient de medicamente, al carui capac l-am gaurit, am introdus un cablu, am lipit contactele si apoi am pus silicon.


   Am readus montajul la schema in curent continuu, doar ca in loc de electrozi in apa am contactul cu bila...asa ca am facut iar un filmulet:





   Sambata, 01.08.2009, am montat plutitorul confectionat anterior si l-am testat, dar sunt probleme, este atat de sensibil incat "simte" vibratile pompei (LED-ul albastru "palapie" iar monostabilul este cuplat, adica lED-ul alb aprins si, implicit, releul atras, care deconecteaza AC3-ul). Am incercat modificarea schemei pe ceva mai simpu (condensator electrolitic motat intre intrare si masa), dar s-a "dus" transformormatorul "mate in China"); asa ca revin la schema care a functionat super, cea cu senzor din 2 tije in curent alternativ...deoarece partea electronica nu e problema, am "fabricat" un senzor, pe care l-am testat, tinand cont ca dupa 8 minute pompa ramane fara apa, adica la 7 minute jumate tijele sa-mi iasa din apa...



   Deoarece transformatorul este cu 2 infasurari secundare, o sa incerc sa folosesc una pentru senzor, pastrand ideea cu trecerea curentului alternativ prin apa, doar ca o sa am o redresare monoalternanta:


   Articolul are o continuare. numita Protectie pompa la lipsa apei la sorb (partea a doua).

Intoarcere la pagina principala