articol recuperat si postat in 01.2016

Indicare uitare "pozitii" aprinse

     Uneori, se intampla sa uit(am) pozitiile aprinse cand am oprit autoturismul, asa ca m-am gandit la o schema care sa ma/ne avertizeze..


     Situatiile ar fi:

     Am simulat functionarea schemei cu programul Livewire , adaugandu-i si un oscilator cu poarta ramasa libera de la integratul CMOS 4093:

avertizare lumini aprinse si cheia nu e in contact!


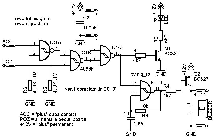
     Schema, mai detaliata si ceva facilitati (indicare optica si acustica), redesenata, de deta asta in Eagle este urmatoarea:

iar modul de realizare practic:

   Puteti descarca, in format pdf, cablajul: in oglinda respectiv neintors (pentru metoda foto).

     O varianta mult mai simpla, necesita o dioda si un buzzer (sonerie de 12V), conectata intre plusul dupa contact si tensinea de alimentare a becurilor de pozitie. Daca vrem si o indicatie optica putem pune in paralel cu bizzer-ul un LED inseriat cu o rezistenta.

     Am simulat functionarea celor 2 variante cu programul Livewire:

avertizare lumini aprinse si nu e pus "contactul"!

     Am realizat o varianta, mai rudimentara, cu un telefon de jucarie (3RON), care se alimenteaza, in mod normal, din 3 baterii de ceas (deci 3x1,5V=4,5V) care avertizeaza (sonor si optic) cand sunt luminile aprinse (pozitia) si deschid usa; pentru aceasta am lipit cu cositor cablajul corespunzator uneia din taste si am realizat alimentatorul de 4,3V (5V din LM7805 minus 0,7V pe dioda):


Practic:

Intoarcere la pagina principala