articol recuperat si postat pe arduinotehniq.com in 01.2016

Orga de lumini
- articol publicat in almanahul Tehnium '85 -
(materialul este cel original, al dlui. Emilian OPREAN)
initiere articol in 09.2010

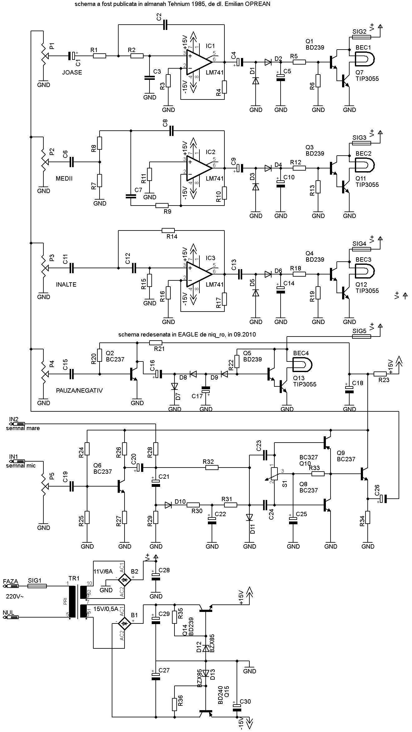
   Particularitatile schemei prezentate constau in introducerea unei compresiuni dinamice, a unui amplificator AF pentru semnale slabe si folosirea de filtre active cu circuite integrate.
   Semnalul preluat (de preferinta de la mufa de inregistrare a oricarui aparat de redare electronica) se dozeaza cu potentiometrul de 1kohm/liniar de la intrare si amplificat de tranzistorul T6, dupa care se aplica compresiunii dinamice cu diode. La iesirea acesteia se obtine o tensiune de audiofrecventa ce mentine constant nivelul, indiferent de valoarea de la intrare. Urmeaza apoi un preamplificator cu factorul de amplificare foarte mare, necesar pentru a obtine o valoare suficienta atacarii celor patru intrari. Dozarea semnalului se face independent pentru fiecare canal in parte. Cele trei filtre active corespund canalelor de inalte, medii si joase. Filtrul trece-sus realizat cu CI3 are frecventa de trecere de peste 3kHz, filtrul trece-banda cu frecventa de 900Hz si filtrul trece-joase cu fiecventa de taiere de cca 100Hz.
   Semnalul, dupa fiecare filtru, ataca bazele primelor tranzistoare din montajele Darlington ale fiecarui canal in parte, comandand astfel aprinderea si stingerea becurilor din colectoarele tranzistoarelor 2N3055, comanda lor facandu-se in amplitudine si in frecventa.
   Condensatorul din baza lui T11 are rolul de a temporiza intrarea in conductie a acestuia pentru orice pauza din semnalul ce se aplica la intrare.
   Transformatorul TR, va avea secjiunea de 10cm2, in primar bobinand 1100 de spire cu sarma CuEm fi 0,45mm, iar in secundar 2x75 de spire cu sarma CuEm fi 0,5mm pentru tensiunea de 2x15V si 55 spire cu sarma CuEm fi 1,5mm pentru tensiunea de 11V.
   Pentru amatorii care doresc sa faca comanda becurilor cu tiristoare direct la tensiunea de 220V~ se vor suprima T12, T13, T14 si T15 si se va executa montajul ca in figura 2.
   S-a urmarit ca prin transformatoarele din circuitele de colector ale tranzistoarelor T8, T9, T10 si T11 sa se separe tensiunea de retea fata de restul montajului, aceasta constituind o masura de securitate fata de cel ce manevreaza instalatiile respective.
   Transformatoarele TR2, TR3, TR4 si TR5 se vor executa pe tole mici cu sectiunea de 1—2cm2, avand in primar un numar de 500 de spire cu sarma CuEm fi 0,15mm, iar in secundar 175 de spire cu sarma CuEm fi 0,15 mm).
   Se va da o important deosebit de mare izolarii secundarului de primar, aceasta impotriva strapungerii (de preferinta cu stratifoliu de 0,3mm).
   Tiristoarele folosite vor fi de 6A/600V, permitand ca pe fiecare canal sa se lege o sarcina de 400W (se vor folosi mai multe becuri de wattaj mic — pana la 75W —, pentru a nu pune in evidenta inertia de aprindere si stingere a becurilor peste 75W).
   In figura 3 este prezentat desenul cablajului imprimat pentru varianta cu comanda prin tranzistoare, conform figurii 1. Pentru a 2-a varianta, este simplu de modificat partea de comanda, tinand cont ca tiristoarele se vor monta pe radiatoare separate.
   Tranzistoarele folosite sunt de urmatoarele tipuri:
   T1 = 2N2219A, cu radiator;
T2 = 2N2905A, cu radiator;
T3, T4, T7 = BC107B;
T5 = BC177B;
T6 = BC108B;
T8, T9, T10, T11 = BD139 sau BD237, cu radiatoare;
T12, T13, T14, T15 = 2N3055/6, cu radiatoare.
   Diodele EFD vor fi EFD107— 110. Dioda BAX = BAX 13, BAX 14, 1N4148, 1N914.
   Cutia ramine a fi executata de catre fiecare amator dupa dorinta.


orga lumini Almanah Tehnium '85 orga lumini Almanah Tehnium '85 orga lumini Almanah Tehnium '85

completare articol in 09.2010:

   Am redesenat in EAGLE Layout Editor schema si am "pictat" o varianta de cablaj:

by niq_ro by niq_ro by niq_ro

   Puteti descarca, in format pdf, cablajul: in oglinda respectiv neintors (pentru metoda foto).



completare articol in 04.2011

   Dupa ce am observat pe forumul electronistilor ca este folosit foarte des programul Sprint-Layout, l-am instalat si eu si am "reconstituit" cablajul original, publicat in almanahul Tehnium din 1985:



   Puteti descarca, in format pdf, cablajul: in oglinda (pentru metoda clasica), respectiv neintors (pentru metoda foto).

Intoarcere la pagina principala