articol recuperat si postat pe arduinotehniq.com in 01.2016

Modificari la circuitul becului de plafoniera


     Circuitul becului din plafoniera are o schema, de genul:

In functie de pozitia comutatorului din plafoniera, avem cazurile:
     1) comutator in pozitia A



     2) comutator in pozitia B

     3) comutator in pozitia C
respectiv

     In primul caz, becul este aprins permanent, indiferent de pozitia butonului din usa, care este pe "deschis" cand usa este inchisa si pe "inchis" cand usa este deschisa.
     In al doilea caz, becul este stins, indiferent de pozitia butonului din usa.
     In al treilea caz, becul din plafoniera este stins daca usile sunt inchise, adica contactul butonului din usa este "deschis", respectiv aprins cand usa este deschisa, adica contactul butonului este "inchis".

     O modificare a circuitului consta in stingere progresiva a becului de plafoniera la inchiderea usii unei masini...

     Pornind de la articolul prezentat la adresa http://users.otenet.gr/~athsam/dome_light_dimmer.htm mentionata si la http://www.daewooclub.ro, adica de la schema asta:



     Puteti descarca schema si cablajul in Eagle si cablajul in pdf (scara 1:1)

..am redus numarul de componente, adica tranzistori, inlocuind grupul de tranzistori Q2, Q3 si Q4 cu un tranzistor Darlington:



     Puteti descarca schema si cablajul in Eagle si cablajul in pdf (scara 1:1)

     Bun, eu ma gandisem la o schema putin diferita de aceasta (pe care o prezentasem si pe forumul electronistilor.

respectiv:

     Simuland cu Crocodile Technology au rezultat urmatoarele variatii ale tensiunii, pe ciondensator, rezistenta din colectorul primului tranzistor si pe bec (pentru 2 valori ale rezistentei din baza primului tranzistor):



     Daca timpii de aprindere, respectiv stingere nu convin se inlocuiesc rezistenta din baza primului tranzistor cu un semireglabil de de 10k, iar cea din baza celui de-al doilea tranzistor cu un semireglabil de 2,5-5k, eventual se mareste condensatorul electrolitic cu unul de valoare maimare: 1500 sau 2200uF.

     Modul de conectare in circuit al montajului este urmatorul:


     ATENTIE: Se intrerupe circuitul intre butonul din usa si comutator!!! (linie punctata)

     Notand punctele principale de interes cu A, B, C, respectiv D rezulta:


OBS:
     - timpul cat becul sta aprins si trece in starea intermediara catre stins depinde de valorile rezistentei R3 si a condensatorului C1.
     - in functie de cum se comporta montajul (deschidere completa tranzistor), se poate elimina rezistenta R2 sau micsora;
     - pentru a stii exact daca tranzistorul de putere se deschide complet, respectiv se bocheaza, trebuie sa avem intre masa si baza, respectiv colector o valoare aproape de tensiunea de alimentare, iar in cealata stare cam 0,65-0,7V.

     Am realizat un montaj de test, care acum e pe masina, care are primul condensator format din 2 (1000+2200uF) si a fost completat cu un condensator de 2200uF in baza ultimului tranzistor, pentru prelungirea efectului de "fade" (la deschiderea usii si la finalizarea temporizarii)... practic am obtinut o aprindere lenta a becului de la plafoniera in cam 1-1,5 secunde, o temporizare cam de 4 secunde (dupa inchiderea usii) si stingerea lenta in 1-1,5 secunde...


     La http://www.club-calibra.org/pages/lightdim.htm este o schema care foloseste un singur tranzistor MOSFET:


     Montarea pe masina, comporta cateva modificari:
     - punerea becului de plafonier ala minus permanent
     - pozitia de "aprins" se pune la plus;
     - intreruperea firului de vine de la contactul usii si intercalarea montajului;

     Simuland in crocodile Technology obtinem:

     Schema originala are, pe langa alimentarea permanenta si un plus care apare la pornirea demaroului, stingand becul de la plafoniera, dar nu mi se pare util, doar am adaugat o dioda, care sa nu influenteze o eventuala alarma, asa ca schema simplificata ar fi:


     Deoarece masinile au becul de plafoniera alimentat permanent cu plus (vezi schemele de la inceputul articolului), vom adapta schema pentru usurinta montarii pe masina, iar caracteristica va fi (in prima imagine la punerea sub tensiune, iar in a 2-a dupa deschiderea si inchiderea usii):

     O schema simulara, a fost publicata de Pablin:

     Conectarea, inclusiv legatura la alarma auto sunt:




     O schema mai complexa, dar si cu mai multe variante de reglare a timpilor de aprindere si tranzitie este urmatoarea:

Abram Burel


     OBS: schema a fost conceputa de Abram Burel si "publicata" pe DaewooClub Forum la categoria Electronica si Software Auto in Lumina temporizata.

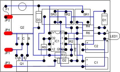
     Un mod de dispunere al pieselor poate fi asa:


si practic asa:

     Modul de reglare este descris tot in articol:
     1 - SR1 - cat de mult sta aprins becul dupa inchiderea usii
     2 - SR2 - cat de lent se stinge becul
     3 - SR3 - reglare punct de functionare
     Toate semi-reglabilele merg "pe dos", adica daca trebuie sa mariti ceva, desurubati si viceversa (pentru ca pe unul nu l-am putut face sa mearga "normal, ca volumul de la un amplif, le-am facut pe toate "anormale").
     Dupa ce ati conectat toate firele, procedura ar fi cam asa:
     a. deschideti o usa (cu comutatorul pe pozitia care trebuie)
     b. reglati punctul de functionare astfel: insurubati 3 usor, pana cand becul se stinge si apoi desurubati-l foarte usor pana cand becul se aprinde ca lumea si intensitatea nu mai creste (jucati-va de cateva ori ca sa prindeti "miscarea"); la sfarsit mai desurubati-l inca un pic.
     c. reglati durata stingerii (SR2); mai intai, insurubati aproape complet 1 pentru a face temporizarea cat mai scurta; deschideti si inchideti usa; daca vreti stingerea mai lenta, desurubati 2, iar daca o vreti mai rapida insurubati-l.
     d. reglati temporizarea: deschideti si inchideti usa; daca vreti o temporizare mai lunga, desurubati 1, iar daca vreti una mai rapida, insurubati-l.
     Nota: Evident nimic nu se insurubeaza sau desurubeaza, dar asta este pentru a fi mai usor cu sensul de rotatie (valabil pentru cei ce lucreaza dupa "regula burghiului drept").
     Pentru cei ce-si fac singuri, inainte de a pune sub tensiune, aduceti toate semireglabilele la mijloc. Dupa aia reglati cum vreti.
     Reglajul este usor dependent de tensiunea de alimentare. Daca probati in casa, folositi o baterie de masina sau un alimentator care sa suporte curentul becului (<~1A pentru 10W) fara sa aiba o cadere de tensiune considerabila.

     O schema simplifica, avand ca autor pe acelasi Abram Burel este urmatoarea:


     O varianta de montaj, care foloseste componente uzuale, poate fi:

Intoarcere la pagina principala