articol recuperat si postat pe arduinotehniq.com in 01.2016

Contor electronic pentru casetofon


In revista TEHNIUM 7/1992 este articolul "Contor electronic pentru casetofon", scris de Alexandru Cotta si Gh. Baluta.

Pornind de la aceasta idee, putem construi cu diverse tipuri de circuite integrate CMOS un contor electronic de banda...

Pentru a fi mai usor de construit, voi desena pe module: cel(e) de numarare + decodificare, afisare si partea de comanda:





Cablajele pentru modul(e) numarare + decodificare afisaj, modul afisaj cu 4 cifre (digiti) si modul de comanda sunt la scara 1:1 (in format pdf-Acrobat Reader).

PS: Deoarece am desenat partea de afisaj cu 4 cifre (digiti) vor fi necesare 4 module de numarare + decodificare.

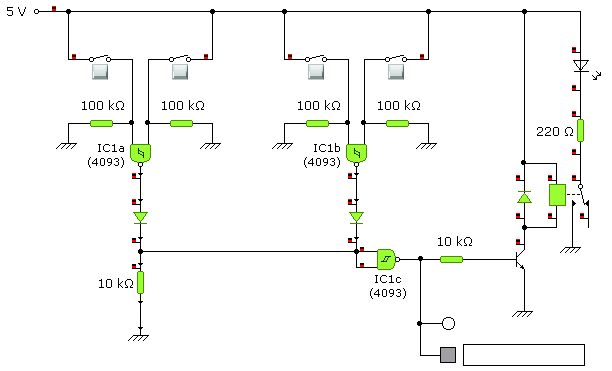
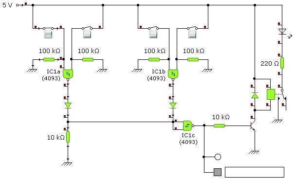
Schema se poate combina cu un dispozitiv care sa opreasca magnetofonul/casetofonul la un numar dorit (reglabil din 4 comutoatoare zecimale), derularea inapoi pana la 0000 si apoi reluarea ciclului.


  Simuland partea de coincidenta cu numarul prestabilit cu ajutorul programului Crocodile Technology 607, care are o grafica frumoasa vom avea cazurile:
- nici un numar al numaratorului (mii, sute, zeci sau unitati) nu coincid cu numerele prestabilite:


- numarul miilor de la numarator coincide cu numarul miilor prestabilit, iar celelalte (sute, zeci sau unitati) nu coincid cu numarele prestabilite:

- numerele miilor si sutelor de la numarator coincid cu numerele miilor si sutelor prestabilite, iar celelalte (zeci sau unitati) nu coincid cu numarele prestabilite:

- numerele miilor, sutelor si zecilor de la numarator coincid cu numerele miilor, sutelor si zecilor prestabilite, dar cel al unitatii nu coincide cu numarul prestabilit pentru unitati:

- numerele de la numarator coincid cu numerele prestabilite, deci va fi cazul dorit:

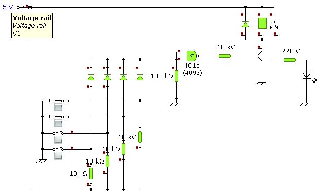
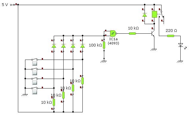
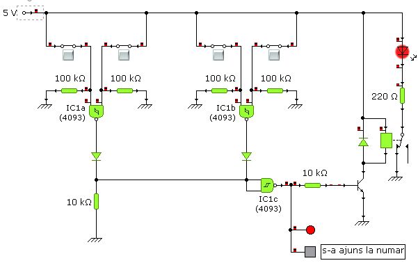
  Simuland doar o parte din partea de coincidenta cu numarul 0000 cu ajutorul programului Crocodile Technology 607, vom avea cazurile:
- nici un numar binar al numaratorului (A, B, C, D) nu coincide (cazul ar fi 1111=15, neexistand in cazul real, deaorece avem un numarator zecimal - CD40192) cu numarul 0000 (A=0, B=0, C=0, D=0):


- unul din numerele binare este 0 (0111=7, ar mai fi teoretic 1011=11, 1101=13, 1110=14)

- 2 din numerele binare sunt 0 (0011=3, 1001=9, 0110=8, ar mai fi teoretic 1100=12)

- 3 din numerele binare sunt 0 (0001=1, 0010=2, 0100=4, 1000=8)

- s-a ajuns la 0000, deci este coincidenta:

  

Intoarcere la pagina principala