articol recuperat si postat pe arduinotehniq.com in 01.2016

Materialul este original, trimis de dl. Ioan PANAINTE:

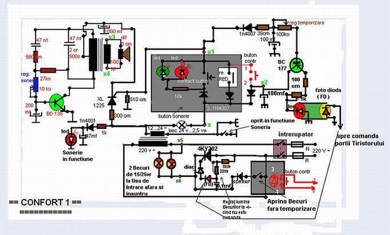
Confort


   Cu aceasta schema obtinem:
-prezenta butonului soneriei cu LED-ul verde
-pornirea soneriei prin apasare
-prin apropierea de buton a unui breloc care are in varf un mic magnet se aprinde temporizat lumina de deasupra usii pentru a ajuta la deschiderea acesteia

   Interesant la aceasta schema pentru butonul de sonerie sunt suficiente acele 2 fire pe care le gasim de obicei instalate.

   Cand iesim din casa apasam butonul contr si se aprinde lumina atat timp cat ne trebuie ca sa iesim si sa inchidem usa. In butonul gri de sonerie din schema am montat 2 diode 1n4007, un LED verde, o rezistenta de 59 kOhmi, un releu re RED care isi inchide contactele la apropierea unui magnet si contactele proprii ale butonului.

   Instalatia functioneaza de 15 ani fara probleme. Releele ri si C sunt de 12V= cu un singur contact, mentionez ca releul C are contact de 10A. Transformatorul de la difuzor e de la Draifer la care am bobinat 2x500 spire de 0,07mm sectiune, iar secundarul are 100 spire de 0,22mm.

   In schema am introdus un intrerupator in paralel cu contactul releului C pentru a aprinde lumina sa vad cine e la usa cand suna soneria.

   Din cauza copiilor care se jucau noaptea la sonerie am pus si un intrerupator ca sa opresc toata instalatia. Restul pieselor sunt pe schema.

completare articol cu materialul trimis de dl. Ioan PANAINTE, in 06.07.2011:

   Am facut si aceasta schema presupunand ca nu toti amatorii au relee. La aprinderea becurilor am folosit variatorul unei veioze, pe care o aveam in casa, la care intre grila (poarta) tiristorului si diacul de comanda am inseriat o fotodioda comandata de LED-ul din emitorul tranzistorului BC177.
   Am folosit un pix de plastic din care am taiat un tub de 1,5cm in care am bagat la un capat LED-ul de comanda si la celalalt capat am bagat fotoDioda. Am mai inseriat cu becurile o dioda pentru lungirea vietii de functionare a becurilor nefiind nevoie sa aleg orez la usa, stiind ca lumina este mai slaba.
   Scopul si principiul de functionare este scris la mai sus.

Intoarcere la pagina principala