articol recuperat si postat pe arduinotehniq.com in 01.2016
O schema care a circulat si ,bineinteles, care s-a tot facut prin anii '80-'90, am gasit-o in cartea Electronica peste tot, scrisa de dl. I.C. Boghitoiu si apaturta la Editura Albatros, in 1985.. deoarece explicatiile din articolul original este foarte util incepatorilor (si nu numai):
ALIMENTATOR STABILIZAT
In experimentarile sale, electronistul are nevoie aproape permanent de diferite tensiuni continue - in general de mica valoare -, care sa fie capabile sa debiteze curenti de diferite intensitati. Uneori se apeleaza la surse chimice, ca baterii sau acumulatoare, insa acestea prezinta dezavantajul ca nu-si pastreaza, in timp, constanta tensiunea la borne, fie datorita autodescarcarii, fie consumarii propriu-zise. Totodata, ele au tensiuni fixe, pentru obtinerea anumitor valori mai mari fiind necesara inscrierea mai multor elemente.
In practica curenta se apeleaza insa la asa-numitele surse de tensiune sau alimentatoare, dispositive care transforma tensiunea alternativa, preluata de la retea in tensiuni continue reglabile dupa dorinta. Schemele unor asemenea alimentatoare pot fi mai simple sau mai complicate, functie de pretentiile care se impun acestora sau functie de destinatia ce se da.
In cele ce urmeaza propunem spre realizare un alimentator stabilizat, care in principiu transforma tensiunea alternativa a retelei de 220V si 50Hz intr-o tensiune continua reglabila intre 1,35V pana la 35V, pentru un curent de sarcina de maximum 2A si pana la 40V pentru un curent de sarcina de maximum 1A. Tensiunea debitata la iesirea alimentatorului este stabila atat fata de variatiile retelei, cat si fata de variatiile curentului (rezistentei) de sarcina, alimentatorul autopro-tejandu-se la scurtcircuite sau la suprasarcini.
Schema realizata cu componente electronice are o structura clasica si este compusa din urmatoarele etaje:
1 - etajul redresor;
2 - etajul stabilizator de tensiune;
3 - etajul de autoprotectie.
Parametrii electrici caracteristici (de catalog) ai blocului propus spre realizare sunt urmatorii:
Toate aceste date pot fi usor masurate de realizatorul unui ast-fel de alimentator, folosind un aparat de masura obisnuit.
Schema bloc a alimentatorului stabilizat este aratata in fig.9. Etajul redresor din aceasta schema bloc are rolul de a transforma ten-siunea retelei de 220V in tensiune de 32V, de a o redresa si apoi de a o filtra in asa fel ca la iesirea din acest etaj sa obtinem o tensiune continua de circa 45V. In compunerea acestui etaj intra un transfor-mator de retea dimensionat pentru o putere de minimum 100W, o punte re-dresoare si un condensator de filtraj. De retinut ca variatiile tensi-unii retelei de 220V se transmit si se resimt in tensiunea de 45V obti-nuta la iesirea etajului redresor.

Fig.9. - Schema bloc a alimentatorului stabilizat.
In continuare aceasta tensiune redresata este introdusa in etajul stabilizator de tensiune care are rolul de a mentine constanta tensiunea Ue debitata la iesirea alimentatorului, in raport cu variatiile tensiunii retelei, ale rezistentei de sarcina, respectiv ale curentului de sarcina si al altor factori perturbatori.
Aceasta schema face parte din grupa stabilizatoarelor liniare cu reactie, cu reglaj tip serie.
In compunerea stabilizatorului de tensiune intra urmatoarele:
Sursa de referinta REF care furnizeaza o tensiune de referinta VREF avand o buna stabilitate in timp, fata de variatia tensiunii de intrare, a temperaturii de lucru, etc. Ea este caracterizata de asemenea si printr-un nivel redus de zgomot.
Amplificatorul de eroare AE are rolul de a compara tensiunea de referinta VREF cu o parte din tensiunea de iesire (culeasa de la divizorul R1-R2) si a actiona asupra elementului regulator serie ERS.
In urma compararii tensiunii de referinta VREF cu o parte KUe din tensiunea de iesire rezulta asa-numitul semnal de eroare e =KUe-VREF, care dupa ce este amplificat, comanda elementul regulator scrie.
Elementul regulator scrie ERS cu rolul:
Etajul de autoprotectie cuprinde un amplificator de protectie (AP) care preia o tensiune de control de la bornele rezistentei r si dupa o amplificare o aplica ca tensiune de blocaj la ERS.
Totodata intrarea in functiune a etajului de protectie este semnalata de beculetul L1.
Schema de principiu a alimentatorului stabilizat este data in fig. 10.
Urmarind schema se poate constata ca tensiunea retelei de 220V patrunde in primarul transformatorului de retea Tr.1 printr-o siguranta de 1A si un intrerupator basculant. Secundarul transformatorului Tr.1 cuprinde doua infasurari: prima care trebuie sa asigure o tensiune de 32V si un curent de 4A si o a doua infasurare care asigura o tensiune de 2V si un curent de 0,5A, tensiune folosita pentru aprinderea becului de panou.

Infasurarea ce asigura tensiunea de 32V se cupleaza la bratul A-B al puntii redresoare formata din diodele D1-D4.
Aceste diode pot fi de tipul 6SI2, 10SI2, SI10-1, RA-120, etc.
Din bratul C-D al puntii se culege tensiunea redresata care
este cu
mai mare decat tensiunea alternative din secundar, adica
.
Plusul tensiunii redresate se va culege in punctul C, iar minusul in punctul D. Filtrarea, respectiv umplerea golurilor dintre cele 100 de semialternante pe secunda se face cu ajutorul capacitorului C1 avand o capacitate minima de 2000m F si o tensiune de lucru de minim 50V. In cazul cand nu se poate procura o valoare atat de mare, se vor cupla in paralel mai multe capacitoare mai mici. In continuare tensiunea de 45V patrunde in stabilizatorul de tensiune, aplicandu-se etajelor acestuia, dintre care intai ne intereseaza sursa de referinta. Aceasta este compusa din grupul D6-R5-C3. S-a folosit ca element dc referinta o dioda cu siliciu tip F-407 conectata in sens de conductie in scopul de a obtine ca tensiune minima (Ue min) la iesire o valoare cat mai mica, deoarece aceasta este data de relatia:
![]()
unde UBE reprezinta tensiunea baza-emitor a tranzistorului T3. Urmarind schema se observa ca dioda D6 este conectata intre plus si minus prin intermediul lui R5 si avand catodul catre borna minus, capacitorul C3 jucand rol de element de filtraj. Prin aducerea diodei in zona de conductie direct la bornele acestuia vom gasi in permanenta o tensiune de 0,65V. La aceasta tensiune, numita si tensiune de referinta UREF este mentinut emitorul lui T3, care constituie amplificatorul de eroare.
Prin intermediul divizorului R9-R10-P1 o parte(KUe) din tensiunea de iesire Ue este condusa prin cursorul potentiometrului P1 la baza amplificatorului de eroare T3. Aici tensiunea KUe este comparata cu tensiunea VREF, aplicata pe emitor, din diferenta lor rezultand un asa-numit semnal de eroare e , adica:
![]()
Marimea e care reprezinta, de fapt, tensiunea masurata intre emitorul si baza lui T3, adica VBE este o tensiune continua. Din relatia lui e se poate separa valoarca Ue obtinand relatia:
![]()
Deoarece marimea K reprezinta o parte din tensiunea Ue si cum ele-mentul cu ajutorul caruia se culege aceasta tensiune este divizorul potentiometric R1-P1-R2 se poate materializa aceasta valoare K judecand in felul urmator: notam rezistenta dintre borna -Ue si cursorul lui P1, adica R9 inseriat cu rezistenta ce revine portiunii din potentiometru. Curentul care strabate cele doua rezistoare r1 si r2 va fi:
![]()
Tensiunea aplicata la baza lui T3, deci tensiunea preluata dintre cursorul lui P1 si -Ue este tensiunea de la bornele lui r2 si are valoarea:
![]()
sau
![]()
Cum aceasta tensiune aplicata la borna lui T3 am notat-o mai inainte cu expresia KUe se poate scrie egalitatea:
sau
;
de aici rezulta:
.
Revenind la expresia lui Ue de mai inainte si introducandu-l pe K cu valoarea gasita obtinem:
![]()
Aceasta expresie ne arata ca modificarea marimii r2 respectiv deplasarea cursorului lui P1 conduce la obtinerea la bornele de iesire a diferite marimi pentru +Ue.
Valoarea minima pentru Ue se obtine atunci cand r1=0 adica atunci cand cursorul potentiometrului se afla spre borna +Ue.
In aceasta siiuatie:
![]()
Cum in cazul nostru
,
iar VBE are valoare medie de 0,7V rezulta:
![]()
Valoarea maxima pentru Ue se obtine cand r2® 0, insa valoarea Ue max nu poate depasi valoarea tensiunii redresate Ured.
Curentul de colector al tranzistorului T3, care este comandat de marimea e , comanda la randul lui tranzistorul T2, iar acesta mai departe comanda pe T1 cu care se afla conectat in montaj Darlington. Din schema de principiu se observa ca tranzistorul T1 care este elementul regulator serie, nu asigura trecerea curentului de iesire (de colector) Iie decat daca i se furnizeaza bazei un curent:
,
h21E fiind factorul de amplificare in curent al tranzistorului T1.
Curentul IB1 este furnizat la randul lui de tranzistorul T2 care este un tranzistor de medie putere. Marirea sau micsorarea tensiunii de iesire Ue se obtine datorita tranzistorului regulator T1 care lucreaza ca o adevarata rezistenta inseriata in bratul barei plus, intre iesirea din redresor si borna de iesire +Ue. Astfel daca aceasta rezistenta are o valoare mare, ceea ce corespunde situatiei cand T1 este adus prin polarizarea bazei in apropierea zonei de blocare atunci tensiunea de iesire va fi mica, restul de tensiune cazand pe tranzistorul T1; din contra cand T1 este deschis (curent de baza mare), atunci tensiunea de iesire Ue este mare pe tranzistorul T1, cazand o tensiune mica.
Procesul de stabilizare a tensiunii de iesire, fata de diferiti factori destabilizatori are loc astfel:
Sa presupunem ca exista tendinta de crestere a tensiunii de iesire Ue Aceasta tendinta de crestere se va resimti si la baza tranzistorului T3, ceea ce se traduce printr-o crestere a tensiunii de eroare e . Datorita cresterii tensiunii de baza, curentul de colector al tranzistorului va creste, crestere ce are loc in detrimentul curentului de baza a lui T2. Micsorarea curentului de baza al lui T2 conduce si la micsorarea curentului de colector si implicit si a curentului de baza a tranzistorului regulator T1. Efectul micsorarii curentului de baza al lui T1 este cresterea rezistentei interne proprii, ceea ce conduce la cresterea tcnsiunii intre emitorul si colectorul tranzistorului regulator si ca efect imediat revenirea tensiunii de iesire Ue la valoarea initial fixata.
Daca luam in discutie situatia inversa, cand tensiunea de iesire are tendinta sa scada vom ajunge din aproape in aproape la constatarea ca in final va creste curentul de baza al tranzistorului T1 ceea ce va conduce la cresterea tensiunii de iesire pana la valoarea fixata. Puterea maxima disipata pe tranzistorul regulator serie T1 este data de relatia:
,
unde:
UT max - tensiunea maxima ce cade pe tranzistorul T1
Iie max - curentul maxim de iesire.
In cazul nostru, considerand UT max=35V, iar Iie max =2A va rezulta: Pd=70W.
Pentru aceasta valoare a lui Pd se alege drept tranzistor regulator tipul 2N3055 montat pe radiator. Pentru alimentarea colectorului tranzistorului T3, care indeplineste rolul amplificatorului de eroare, nu s-a folosit cuplarea colectorrului acestuia printr-o rezistenta direct la tensiunea +Ured, ci s-a folosit un prestabilizator realizat sub forma unui generator de curent; in compunerea acestuia intra tranzistorul T4, dioda Zener D5 si rezistoarele R1, R2, R3 si R4.
Dupa cum reiese din schema, curentul de colector al lui T4 este egal cu suma dintre curentul de colector al lui T3 si curentul de baza al tranzistorului T2.
Cum acest curent IC4 este constant, fiind furnizat de generatorul de curent, reiese ca orice variatie a curentului de colector al tran-zistoiului T3 va modifica curentul de baza al lui T2 si implicit si al tranzistorului regulator T1, procedeu care contribuie la procesul de stabilizare.
Alimentarea bazei lui T4 se face cu o tensiune stabilizata de dioda Zener D5, care in cazul schemei noastre este de tipul DZ308, practic putand fi folosite si alte tipuri care sa asigure o tensiune intre 7 si 9V. Datorita prezentei in circuit a diodei stabilizatoare tensiunea aplicata bazei lui T4 preluata prin divizorul R2-R3 este mentinuta la o valoare constanta fata de variatiile de tensiune ale retelei sau ale altor cauze.
Din caracteristica Ic=f(Uc) a tranzistorului rezulta ca, pentru situatia cand tensiunea de baza este mentinuta constanta atunci si curentul de colector se mentine la o valoare aproape constanta, indiferent daca tensiunea de colector variaza. Prin aceasta se asigura pe langa stabilizarea necesara si o atenuare pronuntata a pulsatiilor retelei. Impedanta de iesire a prestabilizatorului este de asemenea foarte mare, deoarece:
,
unde
,
element ce asigura schemei un mare avantaj in ceea ce priveste factorul de stabilizare. Capacitorul C2 din schema este montat in scopul prevenirii aparitiei oscilatiilor din circuit.
Protectia alimentatorului la scurtcircuit sau la suprasarcini este asigurata de etajul pe care l-am denumit de autoprotectie.
Utilitatea acestui etaj este justificata de faptul ca asigura protectia elementelor componente ale alimentatorului si in special a tranzistorului regulator serie si a puntii redresoare.
}tim cu totii ca este foarte posibil ca pe timpul experimentarilor, alimentarea sa fie cuplata gresit sau sa fie pusa accidental in scurtcircuit.
De asemenea, este posibil ca un montaj exterior alimentat sa solicite de la sursa un curent mai mare decat cel pe care aceasta poate sa-l asigure.
In toate aceste cazuri exista posibilitatea ca alimentatorul sa se defecteze. Solutia de a monta o siguranta fuzibila in scrie cu circuitul de iesire din alimentator, nu rezolva problema, deoarece timpul necesar atingerii punctului de topire a materialului din care este rea-lizat find fuzibil este foarte mare in comparatie cu timpul in care are loc strapungerea jonctiunilor tranzistorului serie T1. In practica curenta, aceasta problema este rezolvata apelandu-se tot la solutii electronice, solutii care pe langa faptul ca asigura o rapiditate mare de raspuns, prezinta o mare stabilitate, nu se autodistrug pe timpul intrarii lor in functiune, totul revenind la normal dupa disparitia cauzei care a produs scurtcircuitul sau suprasarcina. De asemenea, exista si posibilitatea ca prin reglaj de pe panou, alimentatorul sa intre in regim de autoprotectie, pentru diferiti curenti solicitati la bornele de iesire, procesul fiind semnalizat optic sau acustic.
Schema alimentatorului prezentat in figura 10 beneficiaza de toate aceste "automate" desi, asa dupa cum vom vedea, elementele cu care se realizeaza aceasta protectie sunt destul de simple.
Principiul folosit este cel al traductorului de curent, adica a sesizarii cresterii peste masura a curentului absorbit la bornele de iesire.
Elementul traductor de curent in cazul nostru este rezistorul R6, montat in serie cu tranzistorul T1.
Elementele din schema care formeaza sistemul de autoprotectie propriu-zis, in afara de R6, sunt: tranzistorul T5, rezistoarele R7, R8 si potentiometrul P2. Pentru semnalizarea optica a intrarii in functiune a autoprotectiei in schema apare tranzistorul T6 cu R12 si beculetele de semnaiizare L1 si L2.
Atunci cand constructorul alimentatorului nu doreste ca aparitia scurtcircuitului sa fie semnalizata si optic, aceste ultime componente pot lipsi.
Autoprotectia functioneaza in felul urmator:
Sa presupunem ca alimentatorul a fosst cuplat la retea si ca este fixat pentru a debita o tensiune de iesire de 9V, pe o sarcina care necesita un curent Id=0,1A.
Din schema de principiu se observa ca Id=0,1A trece si prin rezistorul R6=0,8ohmi . La bornele acesteia apare o cadere de tensiune
![]()
Aceasta tensiune se aplica bazei lui T5 prin divizorul format din R7-P2-R8. Tranzistorul T5 va sta in acest tot timp blocat, deoarece tensiunea de 0,08V este cu mult sub valoarea de 0,65V necesara bazei spre a-i asigura deschiderea. In momentul in care datorita unei cauze oarecare - de exemplu un scurtcircuit - curentul solicitat de la alimentator atinge, sa spunem, valoarea de 3,5A, atunci la bornele lui R6 apare o tensiune de 2,8V (3,5x0,8).
0 parte din aceasta tensiune culeasa de cursorul lui P2 este aplicata bazei lui T5. Daca functie de pozitia acestui cursor tensiunea aplicata depaseste 0,65V, atunci T5 se deschide, rezistenta sa interna scade foarte mult, ceea ce asigura aducerea potentialului bazei lui T2 aproape de potentialul emitorului lui T1.
In aceasta situatie, T2 tinde sa se blocheze si implicit va tinde sa se blocheze si tranzistorul T1. Practic, insa blocarea totala nu va aparea, deoarece intr-un astfel de caz ar disparea curentul din circuit si ca atare ar disparea si tensiunile destinate protectiei. In realitate, se constata ca in circuit se stabileste un echilibru, in sensul ca va circula un curent de scurtcircuit a carui valoare este determinata de mentinerea automata intre baza si emitorul tranzistorului T5 a unei tensiuni ce nu depaseste 0,65V.
Aceasta situatie de echilibru se stabileste foarte rapid, elementele circuitului nefiind periclitate. Din schema se observa ca tensiunea aplicata bazei lui T5 este culeasa potentiometric de la cursorul lui P2, ca atare, ea va depinde de pozitia acestuia. Astfel, cand cursorul se va afla catre capatul rezistorului R8 bazei lui T5 i se va transmite cea mai mica tensiune; cand va fi adus in capatul opus, adica inspre R7 va fi transmisa tensiunea cea mai mare. Elementele montajului de autoprotectie pentru schema de fata au fost calculate pentru a asigura protectia pentru mai multe valori ale curentului, valoarea maxima fiind Id=3A.
Pentru aceasta valoare maxima, Id=3A, rezulta pentru Up valoarea de 2,4V (Up=IdxR6). Cum tensiunea Up se afla si la bornele divizorului R7-P2-R8, rezulta ca prin aceasta va trece curentul:
,
unde: Rp2 - rezistenta potentiometrului P2.
Inlocuind valorile, conform schemei rezulta:
.
Cunoscand curentul IS putem determina ce tensiune cade pe fiecare element al divizomlui; practic avem pe R7 o tensiune de 0,3V, pe R8 o tensiune de 0,6V, iar pe P2 vom avea 1,5V. Rezulta asadar ca atunci cand cursorul lui P2 se va gasi la capatul lui R8 pe baza lui T5 va fi aplicata o tensiune de 0,6V, tensiune foarte aproape de tensiunea necesara deschiderii acestuia; o crestere foarte mica a curentului Id peste 3A, va asigura valoarea de 0,65V necesara amorsarii procesului de autoprotectie.
Sa consideram acum situatia cand cursorul lui P9 este adus in capatul opus catre R7; in acest caz bazei lui T5 i se aplica o tensiune culeasa de la bornele lui P2 inseriat cu R8 adica de la o rezistenta ce insumeaza 1400ohmi , (1000+400) si o tensiune de 2,1V (1,5+0,6). Practic, la o asemenea tensiune jonctiunea B-E a lui T5 ar urma sa se distruga; in schema insa acest lucru nu se intampla, deoarece pe masura ce curentul creste de la o valoare mica catre 3A la un moment dat trece si prin valoarea care creaza la baza lui T5 tensiunea de 0,65V; ca atare schema intra automat in regim de autoprotectie. Sa vedem deci pentru ce curent - in aceasta pozitie a potentiometrului P2 - schema se autoprotejeaza. Judecam in felul urmator:
Pentru a obtine 0,65V pe valoarea de 1400ohmi va fi necesar ca prin circuitul divizorului sa circule un curent
.
La bornele intregului divizor prin care trece acest curent
va exista tensiunea:
![]()
Curentul care va trebui sa strabata rezistorul R6 pentru a asigura valoarea de 0,736V va fi
.
Functie de pozitia potentiometrului vom putea deci obtine situatii pentru care schema sa se autoprotejeze pentru orice valoare de curent cuprinsa intre 0,92A si 3A. Pentru a avea acest control al curentului de autoprotectie este suficient sa fixam pe axul potentiometrului P2 un disc sau un ac indicator, cu ajutorul caruia sa insemnam valorile curentilor de protectie.
In cazul cand constructorul acestui alimentator doreste ca schema sa se autoprotejeze pentru o singura valoare, atunci potentiometrul poate lipsi, in locul lui introducandu-se rezistorul necesar; astfel, daca dorim sa asiguram alimentatorul de la 3A in sus, in locul lui P2 si a lui T7 se va monta un rezistor de 1200ohmi , legatura cu baza lui T3 efectuandu-se din punctul de inseriere.
Exista si posibilitatea cuplarii lui T5 direct pe R6 cu emitorul la borna plus, asa cum este si pentru situatia descrisa mai inainte, iar baza la celalalt capat a lui R6. De data accasta R6 fi va trebui redimensionat plecand de la curentul maxim admis pentru autoprotectie folosindu-se relatia:
.
Pentru semnalizarea optica a intrarii in functiune a partii de autoprotectie, in schema s-a introdus un tranzistor, T6, cu rol de releu electronic, avand ca sarcina beculetele L1-L2. Baza lui T6 este cuplata prin R12 la cursorul lui P2, respectiv va primi acelasi potential ca si baza lui T5. Cand tensiunea la baza lui T6 va ajunge la tensiunea de 0,65V, acesta se deschide si beculetele se vor aprinde.
Deoarece colectorul lui T6 este alimentat direct de la +45V, tensiunea care se pastreaza chiar cand T1 intra in autoprotectie, rezulta ca beculetele de sarcina trebuia sa suporte aceasta tensiune de 45V.
Cum beculete pentru 45V - in ideea de a folosi unul singur - nu se pot procura usor, s-a recurs la solutia de a inseria doua beculete de 26V/0,1A, usor de procurat; unul din acesta va fi scos pe panou, celalalt urmand sa fie fixat in interiorul cutiei. Mai exista o varianta de semnalizare optica, prin folosirea unei diode electroluminiscente montate in serie cu colectorul lui T5, caz in care T6 si cu toate elementele aferente lui nemaifiind necesare.
Date constructive: Intregul montaj va fi realizat pe o placa de textolit simpla sau pe una de sticlotextolit placat, efectuand un cablaj imprimat. In primul caz fixarea pieselor se va face cu ajutorul unor capse, avand diametrul de 2...3mm.
Pe panoul frontal care se poate incadra in dimensiunile de 120x 250mm, realizat din tabla groasa de 2...3mm se ver fixa: intrerupatorul I1 si I2, corpul de siguranta Sig.1, beculetele L1 si L3, potentiometrele P1 si P2 si bornele + si -. Nu se recomanda conectarea bornei minus la masa scheletului metalic, deoarece in timpul experimentarilor putem avea situatii cand lucram fie cu plusul la masa, fie cu minusul.
Transformatorul Tr1 se va realiza cu un pachet de tole avand o sectiune de minim 10cm2. Infasurarea primara va fi realizata cu sarma de CuEm cu diametrul de 0,3...0,35mm, iar in secundar, pentru infasurarea de 32V, sarma de CuEm cu diametrul de minimum 1mm. Secundarul ce va da 2V va fi realizat cu sarma de CuEm, cu diametrul de 0,4...0,5mm.
Tranzistorul T1 se va monta pe un radiator confectionat din tabla de aluminiu groasa de 1...2mm si va trebui sa aiba o suprafata radianta de minimum 200cm2.
Diodele D1-D4 se vor monta pe un radiator cu o suprafata de minim 30cm2 pentru fiecare.
O atentie deosebita va trebui acordata conexiunilor dintre piesele componente. Este absolut necesar ca atat conexiunea de minus, cat si cea de plus, incepand de la iesirea din puntea redresoare D1-D4 sa fie realizate cu conductor din cupru cu diametrul de minimum 1mm. In cazul folosirii cablajului imprimat va fi necesar ca aceste trasee sa fie mult ingrosate si incarcate cu cositor in scopul realizarii sectiunii necesare.
Acelasi lucru se impune si pentru legatura dintre diodele D1-D4, cat si intre acestea si infasurarea secundara a transformatorului de retea.
Dupa pregatirea materialului necesar si verificarea fiecarei componente in parte se va trece la efectuarea montajului propriu-zis, incepand cu partea redresoare; dupa montarea lui Tr1, a puntii D1-D4 si a lui C1 montajul se va alimenta de la retea in scopul de a fi verificat. Folosind un voltmetru de c.c. (MAVO-35; TL-4; T-2145 etc.) se va urmari daca tensiunea intre punctele C-D din schema de principiu are o valoare de 45V cu abateri de sub 0,5V.
In continuare se monteaza grupul D5-R1-R2 -R3, dupa care se efectueaza o noua masuratoare si cand trebuie sa gasim la bornele diodei D5 o tensiune in jur de 8V. Va trebui sa fim atenti la montarea acestei diode, urmarind ca punctul colorat sau inelul de recunoastere marcat pe corpul ei sa fie catre borna plus. Se va trece apoi la montarea restului de piese dupa care schema va fi din nou alimentata urmand sa masuram mai intai tensiunea de la bornele diodei D6, unde va trebui sa gasim o valoare de 0,65V. Masurand tensiunea dintre cursorul lui P1 si borna minus va trebui sa gasim o tensiune de circa 0,12V (cand cursorul se afla catre borna minus) si de circa 1,3V cand acesta se afla adus catre borna plus. Cu aparatul de masura fixat pe scara 100V se va masura tensiunea de iesire Ue dintre bornele plus si minus aflate pe panou. La un capat al cursei potentiometrului vom gasi circa 1,35V, iar la celalalt capat circa 42V. Pentru a verifica functionarea etajului de autoprotectie vom scurtcircuita - folosind un conductor - pentru scurta durata bornele de iesire; in acest caz beculetele L1 -L2 vor trebui sa lumineze. Testul la scurtcircuit se poate face pentru orice valoare a tensiunii de ieaire.
Pentru fixarea tensiunii de iesire putem fie sa montam pe panou un voltmetru de mici dimensiuni, fie sa fixam pe axul lui P1 un cursor indicator sau un disc, urmand sa inscriptionam prin scriere valorile de tensiune functie de pozitia potentiometrului. Pentru aceasta operatie se va folosi un voltmetru de c.c., foarte bine etalonat. Pentru etalonarea pozitiei cursorului lui P2 in valori de curent (1...3A) se va proceda in felul urmator: pentru stabilirea pozitiei corespunzatoare protectiei la 1A se confectioneaza din sarma de nichelina, avand diametrul de minim 0,5mm, un rezistor cu valoare de 10 ohmi . Se fixeaza tensiu-nea de iesire Ue la valoarea de 10V, iar P2 se trece cu cursorul catre rezistorul R8. Se conecteaza rezistorul de nichelina de 10ohmi la bornele de iesire si se cupleaza alimentatorul la retea. Se roteste lent axul lui P2 pana in momentul cand beculetele L1-L2 se aprind. Pentru aceasta pozitie pe discul lui P2 se va inscriptiona valoarea "1A". In continuare se injumatateste firul de nichelina pentru a obtine un rezistor de 5ohmi .
Se trece din nou P2 catre capatul dinspre R8. Se executa aceleasi operatii, urmarind din nou aprinderea beculetelor. Aceasta noua pozitie a lui P2 va fi marcata cu valoarea de "2A".Pentru determinarea pozitiei de 3A, din aceeasi sarma vom confectiona un rezistor de 3ohmi , iar tensiu-nea se va regla la 9V. Se va constata ca putin dupa plecarea de la capatul cursei vom obtine liniuta pentru 3A.
Pe timpul folosirii alimentatorului, P2 va fi adus in pozitia pentru care dorim ca depasirea curentului consumat sa ne fie semnalata.
Rezistorul R11, din schema de principiu este necesar pentru a ajuta descarcarea mai rapida a lui C4, precum si pentru asigurarea unui mic curent prin T1.
Intrerupatorul Intr2 este util pe timpul experimentarilor, cand pentru schimbarea unei componente sau pentru adaugarea alteia este necesara intreruperea alimentarii: pentru a nu se efectua aceasta operatie din intrerupatorul Intr1 cand sunt solicitate componentele schemei sau pentru a nu dezlipi firul de legatura dintre alimentator si montajul experimentat, este mai indicat sa montam intrerupatorul Intr2 si sa-l actionam la nevoie. Stabilitatea tensiunii Ue pentru diferite sarcini, respectiv pentru diferiti curenti consumati in limita de 2A, este foarte buna, practic asigurandu-se valoarea de sub 1%.
Acest parametru poate fi verificat prin masurarea tensiunii la iesire pentru diferiti curenti. Un test facut cu un alimentator con-struit dupa schema din figura 10 este dat in tabelul 6.

Masuratorile efectuate in legatura cu stabilitatea tensiunii de iesire functie de variatiile tensiunii retelei de 220V au aratat ca pentru variatii ale acesteia intre 180 si 245V, tensiunea Ue se mentine constanta.
Cheltuielile pentru realizarea unui astfel de alimentator sunt destul de mici, fata de utilitatea oferita.
Montajul, respectiv cablajul pot fi realizate astfel:
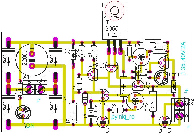
In locul beculetelor L1 si L2 am pus un LED inseriat cu o rezistenta (R13) de 4,7..5,6k.
Cablajul la scara 1:1 este AICI...
Ca sa nu apara problemele de interpretare a valorilor, am redesenat schema mentinand notatiile din schema originala, punand pe langa LED-ul de indica intrarea protectiei in functiune si unul care sta permanent alimentat cat este in functiune alimentatorul:
Cablajul la scara 1:1 este AICI...