articol recuperat si postat pe arduinotehniq.com in 01.2016
* initiere articol in 2005 - Turceni, jud. Gorj pe baza discutiilor de pe forumul electronistilor
** completari si modificari in 03.2013 - Craiova

VU-metru stereo cu AN6884


       Un integrat specializat pentru realizarea unui VU-metru este AN6884.

       Din datasheet (foaia de catalog) am extras cate ceva:


       Am desenat o schema de vu-metru stereo (cu 2 integrate) in Eagle:



       Un cablaj, respectiv montaj ar putea arata asa:

       Cablajul in format pdf la scara 1:1 se poate descarca de AICI?!

       Putem sa punem, in locul LED-ului care sta permanent, unul care se aprinde doar cand nu este semnal si se stinge cand primul LED (LED1) incepe sa se aprinda.. un fel de canal negativ:



       Am realizat o serie de masuratori la tensiunea de pe pinul 1, corespunzator LED-ului nr.1, deoarece am realizat ca acesta (si celelalte) sunt comandate de o sursa de curent constant, nu simplu. In varianta initiala, LED-ul ramane aprins.

       Schema devine:


       Un cablaj, respectiv montaj ar putea arata asa:


       Cablajul in format pdf la scara 1:1 se poate descarca de AICI?!

       Deoarece aceasta varianta prezinta inconvenientul ca valorile tensiunilor difera functie de tensiunea de alimentare m-am gandit la o varianta care sa elimine acest inconvenient, folosind un optocuplor al carui LED este inseriat cu LED-ul nr. 1 (cel de la pinul 1 al lui AN6884), vezi articolul Placa de verificare integrat AN6884, optocuplor PC817 si LED-uri.

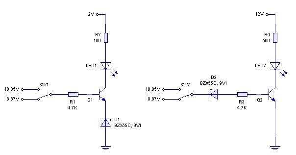
       Revenind la varianta clasica, fara optocuplor, dioda zenner simpla sau compusa, cu valoarea prezentata n tabelul de mai sus, poate fi montata fie intre emitorul tranzistorului si masa, fie inseriat cu rezistenta din baza tranzistorului.
       Cele 2 variante pentru alimentarea la 12V sunt:



Intoarcere la pagina principala