articol recuperat si postat pe arduinotehniq.com in 01.2016

material prelucrat in 05.08.2009 & 14.03.2012
modul AC3
pentru comanda pornit/oprit a consumatorilor casnici

     Un dispozitiv de comanda pentru consumatorii industriali (si nu numai) este modulul numit popular AC3, care are 2 butoane fara retinere, unul pentru pornire (ON) si unul pentru oprire (OFF) + un releu sau un contactor (unele avand si un releu termic).

     O schema simplificata a acestuia:


Simularea functionarii:







    Am realizat si o simulare a functionarii cu ajutorul programului Livewire, ca filmulet:



     AC3-ul industrial se poate "simula" astfel:


..schema se poate completa cu un LED care indica conectarea consumatorului (motor, bec, etc) la reteua de 220V~.


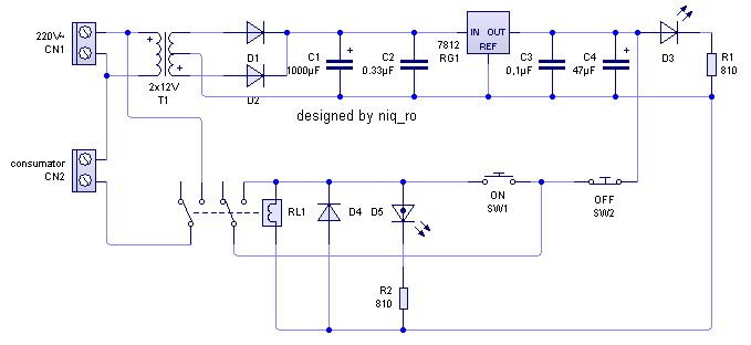
     O varianta a schemei, care include si o parte de stabilizare la 12V:

     Am refacut simularea cu ajutorul programului Crocodile Technology, numita AC3 3D:

Intoarcere la pagina principala