articol recuperat si postat in 01.2016

CMOS-ul 4028 = decodor binar-zecimal


   Unul dintre integratele CMOS utilizate, in mod uzual, este 4028, care functie de producator este codificat CD4028, MMC4028, etc. El este un decodor binar-zecimal, adica transforma un numar binar (de forma 1001) in numar zecimal (9). Fisa de catalog (datasheet-ul) se gaseste cu usurinta pe net, un exemplu fiind http://www.ee.washington.edu/stores/DataSheets/cd4000/cd4028.pdf.

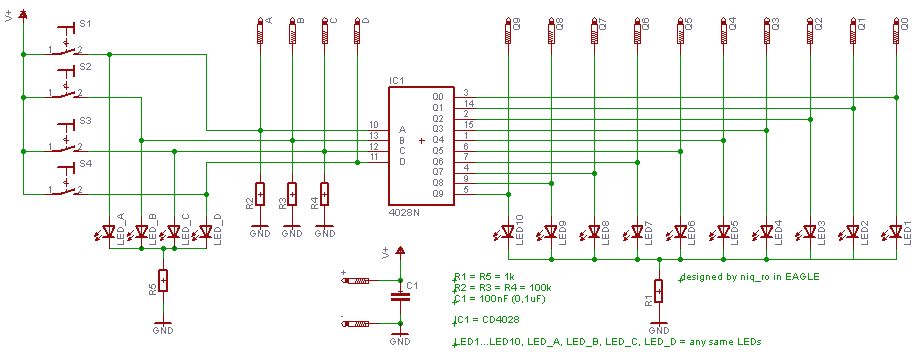
   Pentru a intelege modul de lucru trebuie facut un montaj de test, cel pentru configuratia maxima, de 10 iesiri decodificate este:


  Tabelul care urmeaza descrie modul de "reactie" al integratului in functie de intrari:

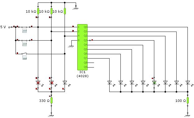
  Pentru o configuratie de maxim 8 iesiri decodificate, schema este:

  Tabelul care urmeaza descrie modul de "reactie" al integratului in functie de intrari:

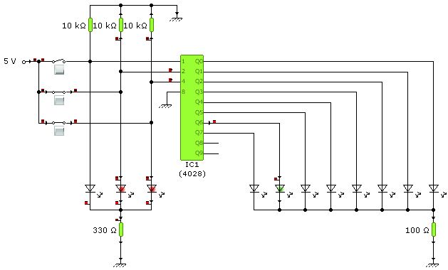
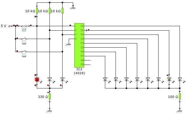
  Pentru a fi mai bine intelese cele 8 stari, am simulat functionarea:
1)

2)
3)
4)
5)
6)
7)
8)

Intoarcere la pagina principala